|
特徵 |
-
外型輕巧的關節式機器手臂,藉由多自由度與高靈活度的特性,除了可應用於物件的搬運外,也可應用於需要精度的組裝作業或複雜的加工任務上。
-
適用於物件取放與堆疊、工件去毛邊與打磨、零組件組裝
|
|
|
|
|
|
產品系列 |
 
 
|
自由度 |
6 |
|
額定負載 |
5 kg |
|
運動範圍 |
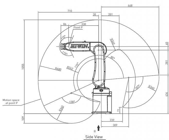
最大可達半徑 |
710 mm (Point P) |
|
J1 |
+255°~ -75° |
|
J2 |
+175° ~ -25° |
|
J3 |
+185° ~ -55° |
|
J4 |
±190° |
|
J5 |
±115° |
|
J6 |
±360° |
|
重覆定位精度 |
±0.02mm |
|
週期時間 |
0.5s |
重量
(kg) |
40kg |
|
控制器 |
RCA6* |
|
安裝方式 |
檯面式、吊掛式、壁掛式 |
* 週期時間為往返垂直高度25mm、水平距離300mm所需的時間, 實際的應用會因操作條件不同而有所限制。
|
|
|
|
文件下戴 |
|
|
|
|
|