Toggle navigation
首頁
關於我們
最新資訊
產品介紹
超音波清洗
日本KOKUSAI超音波產品
超音波清洗機
SKYEY 超音波裝置
自動化元件部
HIWIN 線性傳動元件
HIWIN 傳動控制及系統科技
技術服務
人才召募
連絡我們
產品搜尋
Language
English
繁體中文
超音波清洗
日本KOKUSAI超音波產品
超音波清洗機
SKYEY 超音波裝置
自動化元件部
HIWIN 線性傳動元件
線性滑軌
滾珠螺桿
工業機器人
機器手臂
交叉滾柱軸承
HIWIN 傳動控制及系統科技
驅動器及控制器
線性馬達
旋轉馬達
線性致動器
位置量測系統
Home
產品介紹
自動化元件部
HIWIN 線性傳動元件
機器手臂
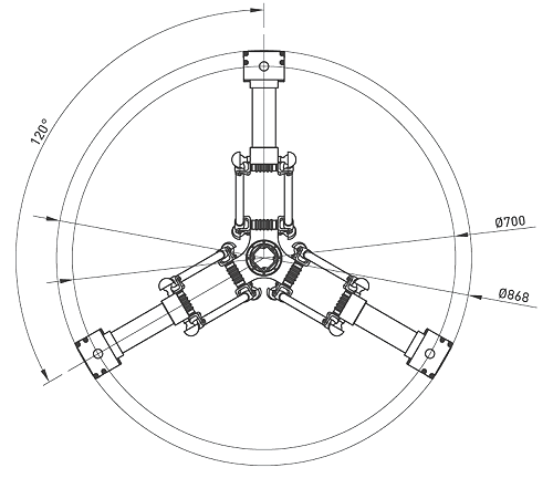
RK401 可移動式並聯機器手臂
RK401
特徵
採用平行連桿機構,具有較大工作範圍與高速能力。
具備穩定的運動性能、最短的週期時間與高準確度,適用於從事精密取放作業、組裝、整列與包裝。
產品系列
控制軸
4-axis
最大載重
1 kg
工作範圍
Diameter:700 mm
Height:800 mm
重複定位精度
±0.05mm
週期時間
0.3s
重量
(kg)
80kg
文件下戴
繁體中文
英文
單軸機器人
技術文件
技術文件
醫療設備
技術文件
技術文件
優質的產品和技術服務
我們致力於製造及代理更適合於國內產業之產品, 與業界攜手共進
產品介紹
技術服務
連絡我們